差壓式流量計在我們的工業生產及民生領域有著非常廣泛的應用,它包括孔板流量計等許多市場上主流的流量計產品,本文將從其原理、結構、特點、應用等多方面進行系統的介紹。
1.1基本原理
充滿管道的流體,當它流經管道內的節流件時,如圖4.1所示,流速將在節流件處形成局部收縮,因而流速增加,靜壓力降低,于是在節流件前后便產生了壓差。流體流量愈大,產生的壓差愈大,這樣可依據壓差來衡量流量的大小。這種測量方法是以流動連續性方程(質量守恒定律)和伯努利方程(能量守恒定律)為基礎的。壓差的大小不僅與流量還與其他許多因素有關,例如當節流裝置形式或管道內流體的物理性質(密度、粘度)不同時,在同樣大小的流量下產生的壓差也是不同的。
1.2流量方程

式中 qm--質量流量,kg/s;
圖4.1 孔板附近的流速和壓力分布
qv--體積流量,m3/s; C--流出系數; ε--可膨脹性系數;
β--直徑比,β=d/D; d--工作條件下節流件的孔徑,m;
D--工作條件下上游管道內徑,m;
△P--差壓,Pa; ρl--上游流體密度,kg/m3。
1. 分 類
差壓式流量計分類如表4.1所示。
表4.1 差壓式流量計分類表
|
分類原則 |
分 類 類 型 |
|
按產生差壓的作用原理分類 |
1)節流式;2)動壓頭式;3)水力阻力式;4)離心式;5)動壓增益式;6)射流式 |
|
按結構形式分類 |
1)標準孔板;2)標準噴嘴;3)經典文丘里管;4)文丘里噴嘴;5)錐形入口孔板;6)1/4圓孔板;7)圓缺孔板;8)偏心孔板;9)楔形孔板;10)整體(內藏)孔板;11)線性孔板;12)環形孔板;13)道爾管;14)羅洛斯管;15)彎管;16)可換孔板節流裝置;17)臨界流節流裝置 |
|
按用途分類 |
1)標準節流裝置;2)低雷諾數節流裝置;3)臟污流節流裝置;4)低壓損節流裝置;5)小管徑節流裝置;6)寬范圍度節流裝置;7)臨界流節流裝置; |
2.1 按產生差壓的作用原理分類
1)節流式 依據流體通過節流件使部分壓力能轉變為動能以產生差壓的原理工作,其檢測件稱
之為節流裝置,是DPF的主要品種。
2)動壓頭式 依據動壓轉變為靜壓的原理工作,如均速管流量計。
3)水力阻力式 依據流體阻力產生的壓差原理工作,檢測件為毛細管束,又稱層流流量計,一
般用于微小流量測量。
4)離心式 依據彎曲管或環狀管產生離心力原理形成的壓差工作,如彎管流量計,環形管流量
計等。
5)動壓增益式 依據動壓放大原理工作,如皮托-文丘里管。
6)射流式 依據流體射流撞擊產生原理工作,如射流式差壓流量計。
2.2 按結構形式分類
1) 標準孔板 又稱同心直角邊緣孔板,其軸向截面如圖4.2所示。孔板是一塊加工成圓形同心的具有銳利直角邊緣的薄板。孔板開孔的上游側邊緣應是銳利的直角。標準孔板流量計有三種取壓方式:角接、法蘭及D-D/2取壓;如圖4.3所示。為從兩個方向的任一個方向測量流量,可采用對稱孔板,節流孔的兩個邊緣均符合直角邊緣孔板上游邊緣的特性,且孔板全部厚度不超過節流孔的厚度。

圖4.2 標準孔板 圖4.3 孔板的三種取壓方式
2) 標準噴嘴 有兩種結構形式:ISA 1932噴嘴和長徑噴嘴。
a. ISA 1932噴嘴(圖4.4)
上游面由垂直于軸的平面、廓形為圓周的兩段弧線所確定的收縮段、圓筒形喉部和凹槽組成的噴嘴。ISA 1932噴嘴的取壓方式僅角接取壓一種。

圖4.4 ISA 1932噴嘴
b. 長徑噴嘴(圖4.5) 上游面由垂直于軸的平面、廓形為1/4橢圓的收縮段、圓筒形喉部和可能有的凹槽或斜角組成的噴嘴。長徑噴嘴的取壓方式僅D-D/2取壓一種。
3)
經典文丘里管 由入口圓筒段A、圓錐收縮段B、圓筒形喉部C和圓錐擴散段E組成,如圖4.6 所示。根據不同的加工方法,有以下結構形式:①具有粗鑄收縮段的;②具有機械加工收縮段的;③具有鐵板焊接收縮段的。
4)文丘里噴嘴 由進口噴嘴、圓筒形喉部及擴散段組成,如圖4.7所示。
5)錐形入口孔板 錐形入口孔板與標準孔板相似,相當于一塊倒裝的標準孔板,其結構如圖4 . 8所示,取壓方式為角接取壓。

圖4.6 經典文丘里管

圖4.7 文丘里噴嘴 圖4.8 錐形入口孔板
1一環隙;2-夾持環;3一上游端面A;4-下游端面B;
5-軸線;6-流向;7-取壓口;8-孔板;
X-帶環隙的夾持環;Y-單獨取壓口
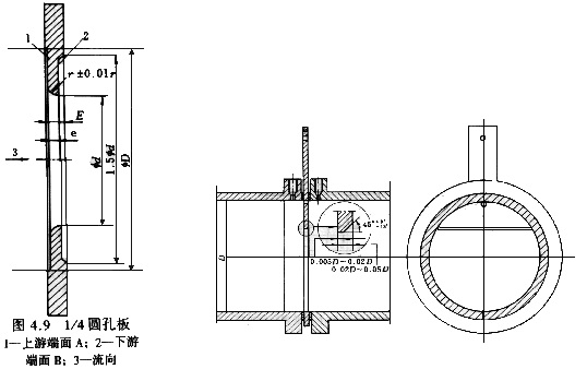
6)1/4圓孔板 1/4圓孔板與標準孔板相比只是孔口形狀不同,它的外形輪廓由一個與軸線垂直的端面,半徑r為1/4圓構成的入口截面及噴嘴出口端面組成,如圖4.9所示。管徑小于DN40為角接取壓,大于DN40為角接取壓或法蘭取壓。
圖4.10 圓缺孔板
7) 圓缺孔板 其開孔為一個圓的一部分(圓缺部分),這個圓的直徑為管道直徑的98%,開孔的圓弧部分的圓心應精確定位,使其與管道同心,這樣可保證開孔不會被連接的管道或兩端的墊片所遮蓋,其結構如圖4.10所示。取壓方式為法蘭取壓和縮流取壓(或稱理論取壓)。
8) 偏心孔板 這種孔板的孔是偏心的,它與管道同心的圓相切,這個圓的直徑等于管道直徑的98%。安裝這種孔板必須保證它的孔不會被法蘭或墊片遮蓋住,其結構如圖4.11所示。它采用法蘭取壓和縮流取壓。

圖4.11 偏心孔板
1- 孔板開孔;2-管道內徑;3-孔板開孔另一位置;4-孔板外徑;5-孔板厚度E;
6-上游端面A;7-下游端面B;8-孔板開孔厚度e;9-孔板軸線;10-斜角F;
11-孔板開孔軸線;12-流向;13-上游邊緣G;14-下游邊緣H、I
9) 楔形孔板 楔形孔板的結構如圖4.12所示。其檢測件為V形,設計合適時節流件上下游無滯流區,不會使管道堵塞,取壓方式未標準化。

圖4.12 楔形流量計
1-高壓取壓口;2-低壓取壓口;3-測量管;4-楔形孔板;5-法蘭
10) 整體(內藏)孔板 管徑小于DN50孔板可以有多種結構形式,圖4.13所示為內藏孔板結構,當管徑較小時孔板入口邊緣銳利度及管道糙度等對流出系數有顯著影響,因此按結構幾何形狀及尺寸難以確定流出系數,小管徑孔板一般皆需個別校準才能準確確定流出系數。

圖4.13 整體(內藏)孔板
(a) 直通式;(b)U形彎管式
11)線性孔板 又稱彈性加載可變面積可變壓頭孔板,如圖4.14所示。其孔隙面積隨流量大小而自動變化,曲面圓錐形塞子在差壓和彈簧力的作用下來回移動,孔隙的變化使輸出信號(差壓或位移)與流量成線性關系,并極大地擴大范圍度。

圖4.14 線性孔板(GILFLO型節流裝置)
1-穩定裝置;2-紡錘形活塞;3-固定孔板;4-排氣孔;5-標定和鎖定蝸桿裝置;
6-軸支撐;7-低壓側差壓檢出接頭;8-高張力精密彈簧;9-排水孔;10-高壓側差壓檢出接頭
12)環形孔板 環形孔板的結構如圖4.15所示。它由一個被同心固定在測量管中的圓板、三腳支架和中心軸管組成,中心軸管將上下游壓力傳送到差壓變送器。環形孔板的優點是既能疏泄管道底部的較重物質又能使管道中氣體或蒸氣沿管道頂部通過。

圖4.15 環形孔板
13)道爾管 道爾管結構如圖4.16所示。它由40o入口錐角和15o擴散管組成。流體首先碰到a上,再經短而陡的錐體,到達喉部槽兩邊的兩個圓筒形部分,通過短的錐體后在f處,突然擴大到管道中,整個長度僅是管徑的1.5-2倍,是經典文丘里管長度的17%。道爾管產生的差壓比經典文丘里管大,在高差壓下卻有低的壓損。

圖4.16道爾管
14)羅洛斯管 羅洛斯管結構如圖4.17所示。它由入口段、入口錐管、喉部錐管、喉部和擴散管組成。入口錐管的錐角為40o,喉部錐角為7o,擴散管錐角為5o,上游取壓口采用角接取壓,其取壓口緊靠入口錐角處,下游取壓口在喉部長度的一半,即d/4處。
15)彎管 彎管結構如圖4.18所示。利用管道系統彎頭作檢測件,無附加壓損及專門安裝節流件是其優點,彎管取壓口開在45o或22.5o處,取壓口結構與標準孔板相同,兩個平面內的兩個取壓口對準,使其能處于同一條直線上,彎管內壁應盡量保持光滑。
16)可換孔板節流裝置 圖4.19所示為斷流取出型可換孔板節流裝置。在需要檢查孔板或更換孔板時,可無需拆開管道,短時間暫停管道內被測介質的流動,這時就可打開上蓋,取出孔板及密封件予以檢查或更換。
17)臨界流節流裝置 臨界流節流裝置有兩種結構形式:圓環喉部文丘里噴嘴和圓筒喉部文丘里噴嘴,如圖4.20所示。
a.圓環喉部文丘里噴嘴 它由入口段、圓弧收縮段和擴散段組成。入口收縮段是一個喇叭形曲面,該曲面延伸至最小斷面處(喉部),并與擴散段相切。在入口平面的上游,廓形沒有規定,但在每個軸向位置上,其直徑都應等于或大于喇叭形擴張部分的直徑。
b.圓筒形喉部文丘里噴嘴 它由入口段、圓弧收縮段、圓筒形喉部及擴散段組成。其入口平面為入口輪廓相切且垂直于噴嘴中心線的平面。收縮段為1/4圓曲面,一端與入口平面相切,另一端與圓筒喉部相切。1/4圓曲面和圓筒喉部之間的連接應沒有缺陷,連接要平滑。(a)圓環形喉部文丘里噴嘴
2.3 按用途分類
1)標準節流裝置 ISO 5167或GB/T2624中所包括的節流裝置稱為標準節流裝置,它們是標準孔板、標準噴嘴、經典文丘里管和文丘里噴嘴。在設計、制造、安裝及使用方面皆遵循標準規定,可不必個別校準而使用。
2)低雷諾數節流裝置 如1/4圓孔板、錐形入口孔板和雙重孔板等。
3)臟污流節流裝置 如圓缺孔板、偏心孔板和楔形孔板等。
4)低壓損節流裝置 如道爾管、羅洛斯管、彎管及環形管等。
5)小管徑節流裝置 如整體(內藏)孔板和一體式流量變送器等。
6)寬范圍度節流裝置 如線性孔板等。
7)臨界流節流裝置 如臨界流文丘里噴嘴等。

圖4.19 可換孔板節流裝置 圖4.20 臨界流節流裝置
2. 節流式差壓流量計的主要特點
應用最普遍的節流件標準孔板結構易于復制,簡單,牢固,性能穩定可靠,使用期限長,價格低廉。
節流式DPF應用范圍極廣泛,至今尚無任何一類流量計可與之相比。全部單相流體,包括液、氣、蒸汽皆可測量,部分混相流,如氣固、氣液、液固等亦可應用,一般生產過程的管徑、工作狀態(壓力,溫度)皆有產品。
檢測件與差壓顯示儀表可分開不同生產廠生產,便于專業化形成規模經濟生產,它們的結合非常靈活方便。
檢測件,特別是標準型的,是全世界通用的,并得到國際標準組織的認可。對標準型檢測件進行的試驗研究是國際性的,其他流量計一般僅依靠個別廠家或研究群體進行,因此其研究的深度和廣度不可同日而語。從時間上看,標準型檢測件自20世紀30年代由國際標準化組織確定后再也沒有改變,其研究資料及生產實踐的積累極其豐富,它涉及的應用范圍還沒有一類流量計可比。
正是由于上述原因,標準型節流式DPF無需實流校準,即可投用,在流量計中亦是惟一的。
目前在各種類型中以節流式和動壓頭式應用最多。節流式已開發20余品種,并且仍有新品種開發出,較成熟的向標準型發展,ISO設有專門技術委員會負責此項工作。動壓頭式以均速管流量計為代表,近年有較快發展,它是插入式流量計的主要品種,其用量在迅速增加。
節流式DPF主要存在以下缺點:
1)測量的重復性、精確度在流量計中屬于中等水平,由于眾多因素的影響錯綜復雜,精確度難以提高。
2)范圍度窄,由于儀表信號(差壓)與流量為平方關系,一般范圍度僅3:1-4:1。
3)現場安裝條件要求較高,如需較長的直管段(指孔板,噴嘴),一般難以滿足。
4)檢測件與差壓顯示儀表之間引壓管線為薄弱環節,易產生泄漏、堵塞、凍結及信號失真等故障。
5)壓損大(指孔板,噴嘴)。
為了彌補上述缺點,近年儀表開發有如下一些措施。
(1) 關于范圍度的拓寬
節流式DPF范圍度拓寬從兩方面著手:1)開發線性孔板;2)采用寬量程差壓變送器或多臺差壓變送器并用。
(2)開發定值節流件
定值節流件是指對每種通徑測量管道配以有限數量的節流件,節流件的β值(孔徑)則按優先數系選用,每種通徑配3-5種β值。定值節流件的應用有許多優點:改變節流件應用對號入座的缺陷;節流件生產方式由小生產作業方式轉變為大批量生產;對于廓形節流件(如噴嘴,文丘里管等)采用專用加工設備實現批量生產,降低生產成本,為擴大使用創造條件;給用戶帶來使用的方便等等。
(3)壓損問題
通常節流式DPF壓損大是指檢測件為孔板或噴嘴等品種,其實早已開發多種低壓損節流件,如各種流量管(道爾管、羅洛斯管、通用文丘里管等),它們未能大量應用的原因是結構笨重,價格高,如采用定值節流件可使生產成本大幅度下降,為廣泛應用創造條件。
(4)一體化節流式DPF
把節流裝置和差壓變送器做成一體,省卻引壓管線,減少故障率,改善動態特性,方便安裝使用,受到用戶的歡迎。國外應用已相當普遍,據統計,日本在1996-1997年新建四家工廠400余臺差壓式流量計,一體化直接安裝儀表約占三分之一。
(5)安裝條件問題
經典文丘里管必要的直管段長度短(約5D-10D),在無長直管段場合盡量采用此類節流件,它做成定值節流件,可以降低制造成本。近年國際上為解決阻流件干擾著力研究適用的流動調整器,在精度要求較高時節流裝置與流動調整器配套供應,可保證測量的精確度,但也增加了壓損與維護工作
3. 安裝使用注意事項
4.1 安裝注意事項
節流式DPF的安裝要求包括管道條件、管道連接情況、取壓口結構、節流裝置上下游直管段長度以及差壓信號管路的敷設情況等。
安裝要求必須按規范施工,偏離要求產生的測量誤差,雖然有些可以修正,但大部分是無法定量確定的,因此現場的安裝應嚴格按照標準的規定執行,否則產生的測量誤差甚至無法定性確定。
關于節流裝置上下游直管段長度的確定,是一個有爭議的問題。由于進行此項試驗的各試驗者條件的差異,以及誤差評定方法的不一致,試驗結果存在分歧并不奇怪。國際上在80年代進行了大規模的孔板流量計試驗,為ISO 5167的修訂打下基礎。修訂的主要內容之一就是直管段長度的修訂,以及流動調整器的使用等。
以下我們按測量管、節流件以及差壓信號管路幾方面的安裝需要注意的事項分別進行簡介。
⑴
測量管及其安裝
測量管是指節流件上下游直管段,包括節流件夾持環及流動調整器(如果使用時),典型的測量管如圖4.21所示。測量管是節流裝置的重要組成部分,其結構及幾何尺寸對進入節流件流體的流動狀態有重要影響,所以在標準中對測量管的結構尺寸及安裝有詳細的規定。對于測量管及其安裝應注意以下內容:1)直管段管道內徑的確定方法;2)直管段的直度和圓度;3)直管段的內表面狀況;4)直管段的必要長度;5)節流件夾持環;6)流動調整器。
圖4.21 測量管
直管段管道內徑的確定如圖4.22所示。
具體要求如下。
1)上游 管徑:D=(D1+D2+D3+…+D12)/12在①②③平面處測;
圓度:0.997 D≤D1,D2,…,D14,Dn≤1.003 D在①②③④平面處測,其中n為保險起見,在③與④平面之間,追加的測量次數。
2)下游 對管徑只作一次檢查:0.97 D≤D15≤1.03 D。
3)對古典文丘里管 入口圓筒形直徑與D之差≤入口圓筒形直徑的±1%;
入口圓筒形直徑與D1,D2,D3…之差≤入口圓筒形直徑的±2%;
D15≥文丘里擴散段出口端直徑的90%。
用于計算節流裝置直徑比的管道內徑D值應為上游取壓口的上游0.5D長度范圍內的內徑平均值。由圖可見,對內徑確定的規定是很嚴格的,但是在現場由于種種原因,有時沒有按照要求進行,而采取公稱通徑作為設計計算之用,這是不允許的。
直管段管道內表面狀況對測量精確度的影響往往被忽略了。標準對管道內詳細規定。在湍流狀況下光滑管與粗糙管的流速分布是不一樣的(見第2章)系數亦不相同。對于新安裝的管道應選用符合粗糙度要求的管道,如果達不到要求采取措施,如加涂層或進行機加工,以滿足之。但是儀表長期使用后,由于測量介質特性(腐蝕,粘結,結垢等)作用,內表面可能發生改變,應定期檢查進行清洗維護。
直管段長度與阻流件類型及β值有關,表4.5-表4.7示有標準節流裝置的必要直管段長度的規定。由表可見,標準只提供若干典型阻流件類型的數值,并且指出這些數據的試驗條件為進入阻流件的流動為充分發展管流,顯然這些條件在現場并非都能滿足的。前面我們已談過,在這種情況下可采用流動調整器解決。近年來,國際上對流動調整器的試驗研究非常重視,取得許多重要成果,這些都將在ISO 5167新標準中得到反映。
表4.5 孔板與阻流件之間所要求的直管段長度(無流動調整器)(數值以管徑D倍數表示)
|
直徑比β |
孔 板 上 游 側 (入口) |
|||||||||||||
|
單個90o彎頭 |
在同一平面上的兩個90o彎頭,S形狀 |
在同一平面上的兩個90o彎頭,S形狀 |
在垂直平面上的兩個90o彎頭,(30D≥S≥5D)① |
在垂直平面上的兩個90o彎頭,(5D>S)①② |
單個90o三通 |
單個45o彎頭在同一平面上的兩個45o彎頭,S形狀(S>22D)① |
||||||||
|
|
A |
B |
A |
B |
A |
B |
A |
B |
A |
B |
A |
B |
A |
B |
|
0.20 |
6 |
3 |
10 |
10 |
10 |
10 |
19 |
18 |
34 |
17 |
9 |
3 |
⑤ |
⑤ |
|
0.40 |
16 |
3 |
10 |
10 |
10 |
10 |
44 |
18 |
50 |
25 |
9 |
3 |
30 |
9 |
|
0.50 |
22 |
9 |
18 |
10 |
22 |
10 |
44 |
18 |
75 |
34 |
19 |
9 |
30 |
9 |
|
0.60 |
42 |
13 |
30 |
18 |
42 |
18 |
44 |
18 |
65 |
25 |
29 |
18 |
30 |
18 |
|
0.67 |
44 |
20 |
44 |
18 |
44 |
20 |
44 |
20 |
60 |
10 |
36 |
18 |
44 |
18 |
|
0.75 |
44 |
20 |
44 |
18 |
44 |
22 |
44 |
20 |
75 |
18 |
44 |
18 |
44 |
18 |
|
直徑比β |
孔 板 上 游 側 (入口) |
孔板下游側(出口) |
||||||||||
|
漸縮管在1.5D到3D的長度內由2D變為D |
漸擴管在D到2D的長度內由0.5D變為D |
全孔球閥或閘閥全開 |
對稱突縮管 |
溫度計套管或插口③直徑小于0.03D④ |
前面全部阻流件類型和密度計套管 |
|||||||
|
|
A |
B |
A |
B |
A |
B |
A |
B |
A |
B |
A |
B |
|
0.20 |
5 |
5 |
16 |
8 |
12 |
6 |
30 |
15 |
5 |
3 |
4 |
2 |
|
0.40 |
5 |
5 |
16 |
8 |
12 |
6 |
30 |
15 |
5 |
3 |
6 |
3 |
|
0.50 |
6 |
5 |
18 |
9 |
12 |
6 |
30 |
15 |
5 |
3 |
6 |
3 |
|
0.60 |
9 |
5 |
22 |
11 |
14 |
7 |
30 |
15 |
5 |
3 |
7 |
3.5 |
|
0.67 |
12 |
6 |
27 |
14 |
18 |
9 |
30 |
15 |
5 |
3 |
7 |
3.5 |
|
0.75 |
22 |
11 |
38 |
19 |
24 |
12 |
30 |
15 |
5 |
3 |
8 |
4 |
①S-兩個彎頭分隔的間距,從上游彎頭曲面部分的下游端到下游彎頭曲面部分的上游端的間距。
②惡劣的安裝條件,可能的話,采用流動調整器。
③對于其他阻流件,溫度計套管的安裝不會變更其上游的最短直管段長度。
④當A欄和B欄分別增加到20D和10D時,則可安裝溫度計套管的直徑為0.03D到0.13D。
⑤此處無數據,用β=0.4的長度足夠了。
注:1.對于β<0.2可以取β=0.2同樣的長度。
2.最小直管段長度是指孔板的上下游阻流件與孔板之間的長度,該長度是從最靠近的彎頭或三通的曲面部分下游末端或漸縮管和漸擴管的錐管部分下游末端測量起。
3.本表中大多數彎頭其曲率半徑等于1.5D,但亦可用于任意曲率半徑的彎頭。
4.各種阻流件中A欄的長度是指"零附加不確定度"的。
5.各種阻流件中B欄的長度是指"0.5%附加不確定度"的。
表4.6噴嘴和文丘里噴嘴所要求的直管段長度(無流動調整器)(數值以管徑D倍數表示)
|
直徑比β |
噴嘴和文丘里噴嘴上游側(入口) |
下游側(出口) |
||||||||||||||||||||
|
單個90o彎頭或三通(流體僅從一個支管流出) |
在同一平面上的兩個或多個90o彎頭 |
在不同平面上的兩個或多個90o彎頭 |
漸縮管在1.5D到3D長度由2D變為D |
漸擴管在D到2D長度內由0.5D變為D |
球閥全開 |
全孔球閥或閘閥全開 |
對稱驟縮管 |
溫度計套管或插孔直徑小于0.03D |
溫度計套管或插孔直徑在0.03D和0.13D之間 |
前面阻流件(后3個除外) |
||||||||||||
|
|
A |
B |
A |
B |
A |
B |
A |
B |
A |
B |
A |
B |
A |
B |
A |
B |
A |
B |
A |
B |
A |
B |
|
0.20 |
10 |
6 |
14 |
7 |
34 |
17 |
5 |
|
16 |
8 |
18 |
9 |
12 |
6 |
30 |
15 |
5 |
3 |
20 |
10 |
4 |
2 |
|
0.25 |
10 |
6 |
14 |
7 |
34 |
17 |
5 |
|
16 |
8 |
18 |
9 |
12 |
6 |
30 |
15 |
5 |
3 |
20 |
10 |
4 |
2 |
|
0.30 |
10 |
6 |
16 |
8 |
34 |
17 |
5 |
|
16 |
8 |
18 |
9 |
12 |
6 |
30 |
15 |
5 |
3 |
20 |
10 |
5 |
2.5 |
|
0.35 |
12 |
6 |
16 |
8 |
36 |
18 |
5 |
|
16 |
8 |
18 |
9 |
12 |
6 |
30 |
15 |
5 |
3 |
20 |
10 |
5 |
2.5 |
|
0.40 |
14 |
7 |
18 |
9 |
36 |
18 |
5 |
|
16 |
8 |
20 |
10 |
12 |
6 |
30 |
15 |
5 |
3 |
20 |
10 |
6 |
3 |
|
0.45 |
14 |
7 |
18 |
9 |
38 |
19 |
5 |
|
17 |
9 |
20 |
10 |
12 |
6 |
30 |
15 |
5 |
3 |
20 |
10 |
6 |
3 |
|
0.50 |
14 |
7 |
20 |
10 |
40 |
20 |
6 |
5 |
18 |
9 |
22 |
11 |
12 |
6 |
30 |
15 |
5 |
3 |
20 |
10 |
6 |
3 |
|
0.55 |
16 |
8 |
22 |
11 |
44 |
22 |
8 |
5 |
20 |
10 |
24 |
12 |
14 |
7 |
30 |
15 |
5 |
3 |
20 |
10 |
6 |
3 |
|
0.60 |
18 |
9 |
26 |
13 |
48 |
24 |
9 |
5 |
22 |
11 |
26 |
13 |
14 |
7 |
30 |
15 |
5 |
3 |
20 |
10 |
7 |
3.5 |
|
0.65 |
22 |
11 |
32 |
16 |
54 |
27 |
11 |
6 |
25 |
13 |
28 |
14 |
16 |
8 |
30 |
15 |
5 |
3 |
20 |
10 |
7 |
3.5 |
|
0.70 |
28 |
14 |
36 |
18 |
62 |
31 |
14 |
7 |
30 |
15 |
32 |
16 |
20 |
10 |
30 |
15 |
5 |
3 |
20 |
10 |
7 |
3.5 |
|
0.75 |
36 |
18 |
42 |
21 |
70 |
35 |
22 |
11 |
38 |
19 |
36 |
18 |
24 |
12 |
30 |
15 |
5 |
3 |
20 |
10 |
8 |
4 |
|
0.80 |
46 |
23 |
50 |
25 |
80 |
40 |
30 |
15 |
54 |
27 |
44 |
22 |
30 |
15 |
30 |
15 |
5 |
3 |
20 |
10 |
8 |
4 |
①溫度計套管或插孔的配置不變更其他阻流件需要的上游最短直管段長度。
注:1.最短直管段長度是節流件上游或下游的各種阻流件與節流件之間的數值,全部直管段長度從節流 件的上游端面測量起。
2.A欄為"零附加不確定長度"的長度值。
3.B欄為"0.5%附加不確定度"的長度值。
4.有些節流件不是全部β值都允許采用的。
表4.7 經典文丘里管所要求的直管段長度(無流動調整器)(數值以管徑D倍數表示)
|
直徑比β |
單個90o彎頭① |
在同一平面上或不同平面上的兩個或多個90o彎頭① |
漸縮管在2.3D長度內由1.33D變為D |
漸擴管在2.5D長度內由0.67D變為D |
全孔球閥或閘閥全開 |
|||||
|
|
A |
B |
A |
B |
A |
B |
A |
B |
A |
B |
|
0.30 |
8 |
3 |
8 |
3 |
4 |
4 |
4 |
4 |
2.5 |
2.5 |
|
0.40 |
8 |
3 |
8 |
3 |
4 |
4 |
4 |
4 |
2.5 |
2.5 |
|
0.50 |
9 |
3 |
10 |
3 |
4 |
4 |
5 |
4 |
3.5 |
2.5 |
|
0.60 |
10 |
3 |
10 |
3 |
4 |
4 |
6 |
4 |
4.5 |
2.5 |
|
0.70 |
14 |
3 |
19 |
3 |
4 |
4 |
7 |
5 |
5.5 |
3.5 |
|
0.75 |
16 |
8 |
22 |
8 |
4 |
4 |
7 |
6 |
5.5 |
3.5 |
① 彎頭的曲率半徑大于或等于管徑。
注:⒈最小直管段長度是指經典文丘里管上游各種阻流件與經典文丘里管之間的長度,直管段長度是從最靠近(或僅有)的彎頭的曲面部分下游末端或漸縮管和漸擴管的追面部分下游末端測量起,它直至經典文丘里管上游取壓口的平面處。
⒉各阻流件A欄為"零附加不確定度"的長度值。
⒊各阻流件B欄為"0.5%附加不確定度"的長度值。
⒋若溫度計套管或插孔安裝于經典文丘里管的上游,必須不大于0.13D并設置在文丘里管上游取壓口的上游至少4D處。
⒌各種阻流件或其他干擾件(如表中所示)或密度計套管應設置于喉部取壓口平面下游至少4倍喉徑處,并不應影響測量的準確度。
(2)節流件的安裝
節流件安裝的垂直度、同軸度及與測量管之間的連接都有嚴格的規定。
1)垂直度 節流件應垂直于管道軸線,其偏差允許在±1o之間。
2) 同軸度 節流件應與管道或夾持環(采用時)同軸。節流件的軸線與上下游側測量管軸線之間的距離(或稱偏心率)ec與取壓管軸線的平行分量ecl及垂直分量ecn應滿足下式,此時流出系數C無附加不確定度
ecl≤0.0025D/(0.1+2.3β4) (4.3)
和 ecn≤0.005D/(0.1+2.3β4) (4.4)
如果ecl在式(4.5)范圍內,則流出系數C的不確定度應算術相加±0.3%的附加不確定度
0.0025D/(0.1+2.3β4)≤ecl≤0.005D/(0.1+2.3β4) (4.5)
如果ec1和ecn在式(4.6)范圍,則認為不符合標準文件(ISO 5167)的要求
ecl或ecn>0.005D/(0.1+2.3β4)
(4.6)
由式可見,在中小口徑及大β值時,安裝偏心率的要求是很嚴格的,ec的實際檢驗很困難,應由各連接件的配合公差來保證。
3)節流件前后測量管的安裝 離節流件2D以外,節流件與第一個上游阻流件之間的測量管,可由一段或多段不同截面的管子組成,其允許的臺階及附加不確定度如圖4.23所示。在離節流件上游側端面至少2D長度的下游測量管上,下游管道內徑與上游測量管的內徑平均值之差,應不超過內徑平均值的±3%。若hs≤±0.3%D,則對流出系數可用參比條件下的精度。若hs≥±0.3%D,并且hs/D≤0.002×(Ls/D+0.4)/(0.1+2.3β4)和hs/D≤0.05式中β=d/D hs=D1-D
則對流出系數的精度應附加±0.2%的不確定度。

圖4.23 管道臺階檢驗
(3)差壓信號管路的安裝
差壓信號管路是指節流裝置與差壓變送器(或差壓計)的導壓管路。它是DPF的薄弱環節,據統計DPF的故障中引壓管路最多,如堵塞、腐蝕、泄漏、凍結、假信號等等,約占全部故障率的70%,因此對差壓信號管路的配置和安裝應弓[起高度重視。
1)取壓口 取壓口一般設置在法蘭、環室或夾持環上,當測量管道為水平或傾斜時取壓口的安裝方向如圖4.24所示。它可以防止測液體時氣體進入導壓管或測氣體時液滴或污物進入導壓管。當測量管道為垂直時,取壓口的位置在取壓位置的平面上,方向可任意選擇。不同溫度條件下取壓接頭的安裝方法如圖4.25所示。

圖4.24 取壓口位置安裝示意

圖4.25 在管道上安裝取壓接頭的方法
注:取壓空邊緣應整齊,為直角或稍加倒圓,無毛刺、卷刃及其他缺陷
(a)溫度在426oC(800oF)以下;(b)溫度在426oC(800oF)以上,而且與二次元件之間距離較大;(c)當要求滿角焊時可選此方案;(d)溫度在204oC(400oF)以下
2)導壓管 導壓管的材質應按被測介質的性質和參數確定,其內徑不小于6mm,長度最好在16mm以內,各種被測介質在不同長度時導壓管內徑的建議值如表4.8所示。導壓管應垂直或傾斜敷設,起傾斜度不小于1:12,粘度高的流體,其傾斜度應更增大。當導壓管長度超過30m時,導壓管應分段傾斜,并在最高點與最低點裝設集氣器(或排氣閥)和沉淀器(或排污閥)。正負導壓管應計量靠近敷設,防止兩管子溫度不同使信號失真,嚴寒地區導壓管應加防凍保護,用電或蒸汽加熱保溫,要防止過熱,導壓管中流體汽化會產生假差壓應予注意。
表4.8 導壓管的內徑和長度 mm
|
導壓管長度/mm |
<16000 |
16000~45000 |
45000~90000 |
|
導壓管直徑/mm |
|||
|
被測流體 |
|||
|
水、水蒸氣、干氣體 |
7~9 |
10 |
13 |
|
濕氣體 |
13 |
13 |
13 |
|
低、中粘度的油品 |
13 |
19 |
25 |
|
臟液體或氣體 |
25 |
25 |
|
3)差壓信號管路的安裝 根據被測介質和節流裝置與差壓變送器(或差壓計)的相對位置,差壓信號管路有以下幾種安裝方式。
被測流體為清潔液體時,信號管路的安裝方式如圖4.26所示。

圖4.26 被測流體為清潔液體是,信號管路安裝示意
(a)儀表在管道下方;(b)儀表在管道上方;(c)垂直管道,被測流體為高溫液體
. 被測流體為清潔干氣體時,信號管路的安裝凡是如圖4.27所示。

圖4.27 被測流體為清潔干氣體時,信號管路安裝示意
(a)儀表在管道下方;(b)儀表在管道上方;(c)垂直管道,儀表在取壓口上方;(d)垂直管道,儀表在取壓口下方
被測流體為水蒸氣時,信號管路的安裝方式如圖4.28所示。

圖4.28 被測流體為水蒸氣時,信號管路安裝示意
(a)儀表在管道下方;(b)儀表在管道上方;(c)垂直管道,儀表在取壓口下方;(d)儀表在管道下方,同(a)圖,僅冷凝器安裝方式不同,可任意選用
被測流體為清潔濕氣體時,信號管路的安裝方式如圖4.29所示。

圖4.29 被測流體為濕氣體時,信號管路安裝示意(a),(b)
圖4.29 被測流體為濕氣體時,信號管路安裝示意(c)-(f)
4. 標準和檢定規程
節流式DPF的標準在全部流量儀表標準中應該說是最成熟且下的功夫是最大的了。國際標準化組織(ISO)第30技術委員會(TC30)自成立之日起(1947年)幾乎集中全部力量準備制訂一部節流裝置國際標準。經過30余年努力,終于在1980年頒布第一部節流裝置國際標準ISO 5167(1980)(最新的ISO5167(2003)),自標準正式頒布之日起就又緊張地準備進行修訂工作。一部標準在頒布之時即同時宣布開始進行修訂似乎并無先例。整個80年代國際上開展大規模孔板流量計研究試驗,為改善標準的技術基礎打下堅實基礎。經過多次討論會審查,ISO 5167新標準的草稿(CD文件)準備在1999年7月美國丹佛(Denver)召開的ISO/TC30/SC2會議審查通過為DIS(標準草案),該CD標準文件是一個全新的標準,它與過去的標準有實質性變化。可是會議認為尚有一些細節(不是主要問題)需商榷,CD文件未能轉變為DIS文件。
為使ISO 5167得到更好的貫徹,并滿足現場實際的需求,ISO近年還頒布了一系列節流裝置技術報告(TR),如ISO/TR9464:1998,ISO/TRl2767:1998,ISO/TR15377:1998和ISO/TR3313:1998等,這些技術報告拓展了ISO 5167的使用空間,給使用者提供探索問題的指導。
節流式DPF國際標準的一個最大特點是它使檢測件--節流裝置結構形式標準化了,這樣對節流裝置的試驗研究就可以把全世界的科研成果匯聚一起,這是其他流量儀表所不及的。
世界各國都根據國際標準制訂本國的國家標準,我國自70年代起即致力于節流裝置國家標準和檢定規程的制訂,頒布了GB2624-81,JJG 267-82,JJG 311-83,JJG 621-89等,后來又修訂為GB/T 2624-93和JJG 640-94。

